Ten artykuł stanowi kompleksowy przewodnik po projektowaniu i podłączaniu instalacji centralnego ogrzewania oraz ciepłej wody użytkowej opartej na kotle gazowym jednofunkcyjnym. Dowiesz się, jak działa ten system, jakie komponenty są niezbędne i jak uniknąć typowych błędów montażowych, by cieszyć się niezawodnym komfortem cieplnym w Twoim domu.
Komfortowa ciepła woda i ogrzewanie schemat podłączenia kotła jednofunkcyjnego z zasobnikiem
- Kocioł jednofunkcyjny, w przeciwieństwie do dwufunkcyjnego, wymaga zasobnika CWU do przygotowania ciepłej wody.
- System z zasobnikiem zapewnia stabilną temperaturę CWU i jest idealny dla domów z większym zapotrzebowaniem (3+ osoby).
- Kluczowe komponenty to kocioł kondensacyjny, zasobnik, zawór trójdrogowy, pompy (CO i opcjonalnie cyrkulacyjna CWU), naczynie wzbiorcze, zawory bezpieczeństwa i filtry.
- Zawór trójdrogowy priorytetowo kieruje ciepłą wodę z kotła do wężownicy zasobnika CWU, wstrzymując na ten czas ogrzewanie CO.
- Automatyka pogodowa i sterowniki pokojowe optymalizują pracę instalacji, co przekłada się na oszczędności gazu.
- Najczęstsze błędy to zły dobór zasobnika, nieprawidłowy montaż zaworu trójdrogowego, pominięcie zabezpieczeń i filtrów oraz niewłaściwe odpowietrzenie.
Kocioł jednofunkcyjny a dwufunkcyjny kluczowe różnice w działaniu
Kiedy planujemy system grzewczy w domu, jednym z pierwszych dylematów jest wybór między kotłem gazowym jednofunkcyjnym a dwufunkcyjnym. Ja zawsze tłumaczę moim klientom, że fundamentalna różnica leży w sposobie przygotowania ciepłej wody użytkowej (CWU). Kocioł dwufunkcyjny podgrzewa wodę przepływowo oznacza to, że ciepła woda jest dostępna niemal natychmiast po odkręceniu kranu, ale jej ilość i temperatura mogą być zmienne, zwłaszcza gdy korzystamy z kilku punktów poboru jednocześnie. W takiej sytuacji ciśnienie i temperatura mogą spadać. Z kolei kocioł jednofunkcyjny, którego głównym zadaniem jest zasilanie instalacji centralnego ogrzewania (CO), wymaga do podgrzewania CWU dodatkowego elementu: zasobnika (potocznie bojlera). To właśnie w zasobniku woda jest magazynowana i utrzymywana w stałej, zadanej temperaturze. Dzięki temu system z kotłem jednofunkcyjnym zapewnia znacznie wyższy komfort i stabilność dostaw ciepłej wody, eliminując problem wahań temperatury.
Kiedy warto zainwestować w system z zasobnikiem? Analiza potrzeb Twojej rodziny
Decyzja o wyborze kotła jednofunkcyjnego z zasobnikiem CWU jest często podyktowana realnymi potrzebami domowników. Z mojego doświadczenia wynika, że jest to najlepsze rozwiązanie dla domów, w których mieszkają trzy lub więcej osób. Dlaczego? Ponieważ w takich gospodarstwach domowych zapotrzebowanie na ciepłą wodę jest znacznie większe, a co ważniejsze często występuje jednoczesny pobór wody w wielu punktach. Wyobraź sobie sytuację, gdy jedna osoba bierze prysznic, a druga w tym samym czasie korzysta z kranu w kuchni. W systemie z kotłem dwufunkcyjnym mogłoby to skutkować odczuwalnym spadkiem temperatury i ciśnienia. Kocioł jednofunkcyjny z zasobnikiem eliminuje ten problem, oferując stabilną temperaturę CWU i dużą wydajność. To rozwiązanie dla tych, którzy cenią sobie przede wszystkim wysoki komfort użytkowania i niezawodność.Zalety, które poczujesz na co dzień: stabilna temperatura i natychmiastowy dostęp do CWU
Inwestycja w kocioł jednofunkcyjny z zasobnikiem to przede wszystkim inwestycja w komfort. Oto główne zalety, które ja osobiście cenię w tym rozwiązaniu:
- Stabilna temperatura CWU: To chyba najważniejsza zaleta. Niezależnie od tego, czy korzystasz z jednego, czy kilku kranów jednocześnie, temperatura wody pozostaje stała. Koniec z nieprzyjemnymi wahaniami, które są zmorą systemów przepływowych.
- Większy komfort: Ciepła woda jest dostępna w dużych ilościach, co jest nieocenione przy napełnianiu wanny, korzystaniu z kilku pryszniców czy po prostu przy intensywnym użytkowaniu.
- Możliwość zastosowania cyrkulacji CWU: W rozległych instalacjach, gdzie punkty poboru wody są oddalone od zasobnika, opcjonalna pompa cyrkulacyjna to prawdziwy game changer. Zapewnia ona natychmiastowy dostęp do ciepłej wody bez czekania na jej dopłynięcie, co przekłada się na oszczędność wody i czasu.
- Wysoka efektywność: Nowoczesne kotły kondensacyjne, w połączeniu z dobrze izolowanym zasobnikiem, minimalizują straty ciepła. Woda jest podgrzewana efektywnie i magazynowana, co przekłada się na niższe rachunki za gaz.
Anatomia instalacji: poznaj niezbędne komponenty i ich role
Aby zrozumieć, jak działa system z kotłem jednofunkcyjnym, musimy przyjrzeć się jego poszczególnym elementom. Każdy z nich pełni kluczową rolę w zapewnieniu efektywnego i bezpiecznego działania całej instalacji.
Serce systemu: Nowoczesny kocioł gazowy jednofunkcyjny
Kocioł jednofunkcyjny to centralny element naszej instalacji. Jego głównym zadaniem jest produkcja ciepła, które następnie jest wykorzystywane do zasilania instalacji centralnego ogrzewania oraz do podgrzewania wody w zasobniku CWU. Na rynku dominują obecnie kotły kondensacyjne, i to właśnie je rekomenduję. Dlaczego? Ponieważ są one niezwykle efektywne odzyskują ciepło ze spalin, co znacząco zwiększa ich sprawność energetyczną i obniża koszty eksploatacji. Ponadto, ze względu na obowiązujące przepisy, są one standardem w nowych instalacjach.
Magazyn ciepła: Jak dobrać idealną pojemność zasobnika CWU?
Zasobnik CWU to nic innego jak dobrze izolowany zbiornik, w którym magazynowana jest ciepła woda użytkowa. W jego wnętrzu znajduje się wężownica rura, przez którą przepływa gorąca woda z kotła, oddając ciepło wodzie użytkowej. Kluczową kwestią jest dobór odpowiedniej pojemności zasobnika. Z mojego doświadczenia wynika, że dla 4-osobowej rodziny standardem jest zasobnik o pojemności 120-150 litrów. Ważne jest, aby zasobnik miał dobrą izolację termiczną. Im lepsza izolacja, tym mniejsze straty ciepła postojowego, co bezpośrednio przekłada się na niższe rachunki za gaz.
Ukryty bohater: Za co odpowiada zawór trójdrogowy i dlaczego jest kluczowy?
Zawór trójdrogowy, często nazywany zaworem przełączającym, to prawdziwy mózg operacji w systemie z kotłem jednofunkcyjnym. Jego rola jest prosta, ale absolutnie kluczowa: kieruje on gorącą wodę z kotła albo do obiegu centralnego ogrzewania (grzejniki, podłogówka), albo do wężownicy zasobnika CWU. System jest tak zaprojektowany, że priorytetem jest zawsze podgrzewanie ciepłej wody użytkowej. Gdy czujnik w zasobniku wykryje spadek temperatury, zawór trójdrogowy przestawia się, kierując całą moc kotła na podgrzewanie CWU. Dopiero po osiągnięciu zadanej temperatury w zasobniku, zawór wraca do pozycji, w której woda z kotła zasila instalację CO. To inteligentne przełączanie gwarantuje, że nigdy nie zabraknie nam ciepłej wody.
Siła napędowa: Pompy obiegowe CO i cyrkulacyjne CWU
W każdej instalacji grzewczej potrzebne są pompy, które wymuszają ruch wody. Pompa obiegowa CO odpowiada za krążenie wody w instalacji grzewczej, transportując ciepło z kotła do grzejników lub pętli ogrzewania podłogowego. W wielu nowoczesnych kotłach jednofunkcyjnych pompa CO jest już wbudowana, co upraszcza montaż. Oprócz tego, w rozległych instalacjach CWU, szczególnie tam, gdzie punkty poboru wody są daleko od zasobnika, stosuje się opcjonalną pompę cyrkulacyjną CWU. Jej zadaniem jest utrzymywanie stałego obiegu ciepłej wody w rurach, dzięki czemu po odkręceniu kranu ciepła woda jest dostępna niemal natychmiast, bez konieczności długiego spuszczania zimnej wody. To znacząco podnosi komfort użytkowania i pozwala oszczędzać wodę.
Strażnicy bezpieczeństwa: Rola naczynia wzbiorczego i zaworów bezpieczeństwa
Bezpieczeństwo instalacji to dla mnie priorytet. W systemie CO kluczową rolę odgrywa naczynie wzbiorcze (przeponowe). Woda, podgrzewana w instalacji, zwiększa swoją objętość. Naczynie wzbiorcze kompensuje te zmiany, stabilizując ciśnienie w układzie i zapobiegając jego nadmiernemu wzrostowi. Równie ważne są zawory bezpieczeństwa. Zarówno instalacja CO, jak i zasobnik CWU muszą być wyposażone w takie zawory. Ich zadaniem jest automatyczne upuszczenie nadmiaru wody (lub pary) w momencie, gdy ciśnienie w układzie przekroczy bezpieczny poziom. To absolutnie niezbędne elementy, które chronią całą instalację przed awariami i zapewniają bezpieczeństwo użytkownikom.
Czystość to podstawa: Dlaczego nie można zapomnieć o filtrze magnetycznym?
Woda krążąca w instalacji grzewczej, nawet jeśli jest uzdatniona, z czasem może zawierać drobne zanieczyszczenia osady, drobiny rdzy czy kamienia. Te zanieczyszczenia są wrogiem numer jeden dla wrażliwych elementów kotła, takich jak wymiennik ciepła czy pompa. Dlatego ja zawsze podkreślam znaczenie stosowania filtrów, a w szczególności filtra magnetycznego. Montuje się go na powrocie do kotła, gdzie wyłapuje on cząstki ferromagnetyczne. Taki filtr skutecznie chroni kocioł i inne komponenty przed uszkodzeniami, wydłużając ich żywotność i zapewniając wysoką efektywność pracy systemu. To mały koszt, który może uchronić przed dużymi wydatkami na naprawy.
Schemat podłączenia krok po kroku: od teorii do praktyki
Przejdźmy teraz do konkretów, czyli do wizualizacji i opisu, jak wszystkie te elementy łączą się w spójną całość. Zrozumienie schematu hydraulicznego jest kluczowe dla prawidłowego montażu i eksploatacji.

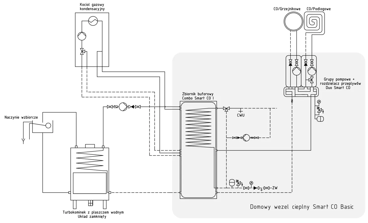
Wariant 1: Podstawowy schemat hydrauliczny z grzejnikami
Na załączonym schemacie widać podstawową konfigurację podłączenia kotła gazowego jednofunkcyjnego z zasobnikiem CWU i instalacją grzejnikową. Gorąca woda z kotła (zasilanie CO) trafia do zaworu trójdrogowego. Z tego zaworu, w zależności od potrzeb, woda kierowana jest albo do wężownicy zasobnika CWU, albo do obiegu grzejnikowego. Powrót z grzejników i z zasobnika (po oddaniu ciepła) wraca do kotła, aby ponownie zostać podgrzanym. Pompa obiegowa CO, często wbudowana w kocioł, wymusza krążenie wody w obiegu grzewczym. Nie możemy zapomnieć o naczyniu wzbiorczym i zaworach bezpieczeństwa, które są umieszczone odpowiednio w obiegu CO oraz przy zasobniku CWU, dbając o stabilne ciśnienie i bezpieczeństwo. Filtr magnetyczny powinien znaleźć się na powrocie do kotła, chroniąc go przed zanieczyszczeniami.

Wariant 2: Schemat dla ogrzewania podłogowego i mieszanego
Kocioł jednofunkcyjny jest niezwykle elastyczny i doskonale sprawdza się również w instalacjach z ogrzewaniem podłogowym, a także w systemach mieszanych (grzejniki i podłogówka). W przypadku ogrzewania podłogowego, które wymaga niższej temperatury zasilania niż tradycyjne grzejniki, konieczne jest zastosowanie dodatkowych elementów regulacyjnych. Najczęściej jest to grupa pompowa z zaworem mieszającym, która obniża temperaturę wody zasilającej podłogówkę do odpowiedniego poziomu (np. 30-45°C). W schemacie mieszanym, gdzie mamy zarówno grzejniki, jak i podłogówkę, kocioł jednofunkcyjny z zasobnikiem CWU nadal stanowi serce systemu, a obiegi grzewcze są odpowiednio rozdzielone i regulowane, aby każdy z nich pracował z optymalną dla siebie temperaturą. To pokazuje, że system jednofunkcyjny z zasobnikiem to uniwersalne rozwiązanie, które można dostosować do niemal każdej konfiguracji grzewczej.
Logika działania: Jak system przełącza się między grzaniem domu a podgrzewaniem wody?
Zrozumienie, jak system przełącza się między ogrzewaniem domu a podgrzewaniem wody użytkowej, jest kluczowe. To właśnie inteligentna automatyka i zawór trójdrogowy sprawiają, że wszystko działa płynnie i efektywnie. Oto, jak to wygląda krok po kroku:
- Wykrycie spadku temperatury CWU: Czujnik temperatury, umieszczony w zasobniku CWU, nieustannie monitoruje temperaturę wody. Jeśli spadnie ona poniżej zadanego poziomu (np. 45°C), czujnik natychmiast to wykrywa.
- Sygnał do sterownika: Wykryty spadek temperatury jest przekazywany w postaci sygnału do sterownika kotła, który jest mózgiem całej instalacji.
- Uruchomienie kotła i przełączenie zaworu: Sterownik, otrzymując sygnał, uruchamia kocioł (jeśli nie pracuje on już na potrzeby CO) i co najważniejsze przestawia zawór trójdrogowy. Zawór ten kieruje teraz całą gorącą wodę z kotła do wężownicy zasobnika CWU.
- Wstrzymanie ogrzewania CO: W tym momencie ogrzewanie centralne (CO) jest wstrzymane. To jest właśnie realizacja priorytetu CWU podgrzewanie wody użytkowej ma zawsze pierwszeństwo.
- Podgrzewanie CWU: Kocioł pracuje z pełną mocą, intensywnie podgrzewając wodę w zasobniku, aż do osiągnięcia zadanej temperatury (np. 55°C).
- Powrót do CO: Gdy woda w zasobniku osiągnie zadaną temperaturę, czujnik ponownie wysyła sygnał do sterownika. Ten z kolei przestawia zawór trójdrogowy z powrotem, kierując wodę do instalacji CO (jeśli oczywiście jest zapotrzebowanie na ogrzewanie domu, np. ze strony sterownika pokojowego).
Inteligentne sterowanie: optymalizacja pracy instalacji i niższe rachunki
Nowoczesne systemy grzewcze to nie tylko sprawny kocioł i odpowiednie podłączenia, ale także inteligentne sterowanie. To właśnie ono pozwala na maksymalne wykorzystanie potencjału instalacji i realne obniżenie kosztów eksploatacji.
Mózg operacji: Rola nowoczesnego sterownika kotła
Sterownik kotła to centralny element zarządzający pracą całego systemu. To on jest odpowiedzialny za zbieranie danych z różnych czujników temperatury zewnętrznej, temperatury w pomieszczeniach, temperatury CWU w zasobniku. Na podstawie tych informacji sterownik podejmuje decyzje o tym, kiedy kocioł ma się włączyć, z jaką mocą pracować i w którym kierunku ma być kierowane ciepło (CO czy CWU). Dzięki temu kocioł pracuje efektywnie, dostosowując się do zmieniających się warunków i potrzeb domowników. Dobry sterownik to gwarancja optymalnej pracy i komfortu.
Automatyka pogodowa i czujniki pokojowe Twój przepis na oszczędności
Aby maksymalnie zoptymalizować zużycie gazu, polecam zawsze zastosowanie automatyki pogodowej w połączeniu z czujnikami pokojowymi. Automatyka pogodowa dostosowuje moc kotła do panującej temperatury zewnętrznej im zimniej na zewnątrz, tym wyższa temperatura zasilania CO. Dzięki temu dom jest zawsze odpowiednio dogrzany, a kocioł nie zużywa niepotrzebnie energii. Czujniki pokojowe z kolei monitorują i regulują temperaturę wewnątrz pomieszczeń, pozwalając na precyzyjne utrzymanie komfortu cieplnego w każdym pokoju. Współpraca tych dwóch elementów sprawia, że kocioł pracuje tylko wtedy, gdy jest to absolutnie konieczne, a jego moc jest idealnie dopasowana do aktualnych potrzeb. To bezpośrednio przekłada się na realne oszczędności na rachunkach za gaz.
Programowanie priorytetu CWU: Jak to działa i dlaczego jest tak ważne?
Wspominałem już o priorytecie CWU, ale warto podkreślić, że w nowoczesnych sterownikach kotłów możemy często programować ten priorytet. Oznacza to, że możemy ustawić, aby podgrzewanie wody użytkowej miało bezwzględne pierwszeństwo nad ogrzewaniem centralnym. Kiedy czujnik w zasobniku wykryje, że woda jest zbyt zimna, sterownik natychmiast uruchamia kocioł i przestawia zawór trójdrogowy, aby cała energia szła na podgrzanie CWU. Dzięki temu zawsze mamy szybki dostęp do ciepłej wody, co jest kluczowe dla komfortu. Po osiągnięciu zadanej temperatury, system automatycznie wraca do ogrzewania domu. To proste, ale niezwykle efektywne rozwiązanie, które ja zawsze konfiguruję dla moich klientów.
Najczęstsze błędy montażowe, które mogą drogo kosztować naucz się ich unikać
Nawet najlepiej zaprojektowany system może nie działać prawidłowo, jeśli popełnimy błędy podczas montażu. Jako doświadczony instalator, widziałem ich już wiele. Oto najczęstsze pułapki, których należy unikać.
Problem #1: Źle dobrana pojemność zasobnika i jego konsekwencje
Jednym z najczęstszych błędów jest niewłaściwy dobór pojemności zasobnika CWU. Zbyt mały zasobnik to gwarancja frustracji ciepłej wody po prostu zabraknie, zwłaszcza przy większej liczbie domowników lub jednoczesnym poborze. Z kolei zbyt duży zasobnik to niepotrzebne straty ciepła i wyższe koszty eksploatacji, ponieważ kocioł musi podgrzewać i utrzymywać w cieple większą ilość wody, niż jest to faktycznie potrzebne. Zawsze należy dokładnie przeanalizować zapotrzebowanie rodziny, a w razie wątpliwości, lepiej skonsultować się z fachowcem, aby dobrać optymalną pojemność.
Problem #2: Błędy w montażu zaworu trójdrogowego i czujnika temperatury
Zawór trójdrogowy jest kluczowy, a jego nieprawidłowy montaż może sparaliżować cały system. Błędy takie jak nieprawidłowe podłączenie (zamienione kierunki przepływu) lub zablokowanie zaworu mogą skutkować brakiem przełączania priorytetu, co oznacza, że albo nie będzie ciepłej wody, albo dom nie będzie ogrzewany. Równie istotne jest prawidłowe umiejscowienie czujnika temperatury CWU w zasobniku. Jeśli czujnik jest źle zamontowany lub nie styka się prawidłowo z wężownicą, może dawać błędne odczyty, co prowadzi do nieefektywnego grzania wody lub jej przegrzewania. Zawsze upewnij się, że te elementy są zamontowane zgodnie z instrukcją producenta.
Problem #3: Zapowietrzona instalacja jak prawidłowo napełnić i odpowietrzyć układ?
Po zakończeniu montażu, kluczowym etapem jest prawidłowe napełnienie i odpowietrzenie instalacji. Zapowietrzony układ to jeden z najczęstszych powodów problemów hałasujące grzejniki (bulgotanie), nierównomierne grzanie lub wręcz brak grzania niektórych elementów. Aby tego uniknąć, instalację należy napełniać powoli, a następnie systematycznie odpowietrzać każdy grzejnik, zaczynając od tych położonych najniżej. Trzeba również pamiętać o odpowietrzeniu zasobnika CWU, jeśli ma on taką możliwość. Ten proces jest czasochłonny, ale absolutnie niezbędny dla cichej i efektywnej pracy całego systemu. Ja zawsze poświęcam na to odpowiednio dużo czasu.
Przeczytaj również: Ogrzewanie drewnem z Ekoprojektem: Dotacje, koszty, jak wybrać kocioł?
Problem #4: Pominięcie kluczowych elementów zabezpieczających i filtrujących
Niestety, zdarza się, że w pogoni za oszczędnościami lub z niewiedzy, pomija się kluczowe elementy zabezpieczające i filtrujące. Brak naczynia wzbiorczego lub jego zły dobór, a także brak zaworów bezpieczeństwa, to proszenie się o kłopoty. Może to prowadzić do niebezpiecznego wzrostu ciśnienia w instalacji, a w konsekwencji do poważnych awarii, uszkodzenia kotła, a nawet zagrożenia dla bezpieczeństwa domowników. Podobnie, pominięcie filtra magnetycznego naraża kocioł na zanieczyszczenia, które z czasem mogą doprowadzić do jego uszkodzenia i spadku efektywności. Nigdy nie oszczędzaj na bezpieczeństwie i trwałości instalacji te elementy są absolutnie niezbędne.
