Wybór kotła gazowego do podłogówki i c.w.u. klucz do komfortu i oszczędności
- Kotły kondensacyjne i ogrzewanie podłogowe to idealne połączenie, zapewniające wysoką efektywność i oszczędności dzięki niskim temperaturom pracy.
- Kluczowy wybór to kocioł jednofunkcyjny z zasobnikiem (dla większego komfortu c.w.u. w dużych domach) lub dwufunkcyjny (kompaktowy, dla mniejszych potrzeb).
- Prawidłowy dobór mocy kotła jest niezbędny, z uwzględnieniem osobnego zapotrzebowania na ogrzewanie (c.o.) i znacznie wyższego na ciepłą wodę użytkową (c.w.u.).
- Zwróć uwagę na modulację mocy (szeroki zakres to większe oszczędności), materiał wymiennika ciepła (stal szlachetna) oraz automatykę sterującą.
- Pamiętaj o nadchodzącym systemie ETS2 (od 2027 r.), który może wpłynąć na ceny gazu, ale gaz nadal pozostaje popularnym źródłem ciepła.

Ogrzewanie gazowe i podłogowe: duet idealny dla twojego domu
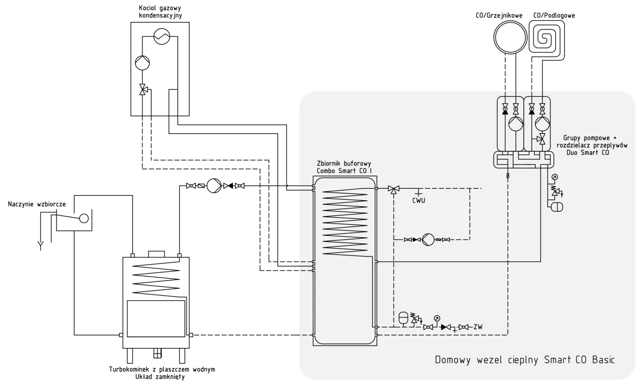
Połączenie gazowego kotła kondensacyjnego z ogrzewaniem podłogowym to moim zdaniem jedno z najbardziej efektywnych i ekonomicznych rozwiązań dostępnych na rynku. Ogrzewanie podłogowe, jako system niskotemperaturowy, doskonale współgra z technologią kondensacji, pozwalając kotłom osiągać najwyższą możliwą sprawność, często przekraczającą 100%. To właśnie w niskich temperaturach pracy instalacji grzewczej, kocioł kondensacyjny jest w stanie w pełni wykorzystać potencjał odzyskiwania ciepła ze spalin, co bezpośrednio przekłada się na niższe rachunki za gaz.Niska temperatura, wysoka wydajność: sekret kotłów kondensacyjnych
Sekret wysokiej sprawności kotłów kondensacyjnych w instalacjach niskotemperaturowych, takich jak ogrzewanie podłogowe, tkwi w procesie kondensacji. Tradycyjne kotły wypuszczają spaliny o wysokiej temperaturze, tracąc w ten sposób część energii. Kotły kondensacyjne natomiast schładzają spaliny do tego stopnia, że zawarta w nich para wodna skrapla się, oddając tzw. ciepło utajone. To dodatkowe ciepło jest następnie wykorzystywane do ogrzewania wody w instalacji, co znacząco zwiększa efektywność całego systemu i pozwala osiągnąć sprawność nominalną powyżej 100%.
Komfort cieplny i oszczędności, które poczujesz w portfelu i na stopach
Korzyści z tego połączenia są odczuwalne na wielu płaszczyznach. Przede wszystkim, ogrzewanie podłogowe zapewnia niezwykle przyjemny i równomierny komfort cieplny w całym domu. Ciepło rozchodzi się od podłogi ku górze, eliminując zimne strefy i uczucie "zimnych stóp". Dodatkowo, brak tradycyjnych grzejników to nie tylko estetyka i swoboda aranżacji wnętrz, ale również mniejsza cyrkulacja kurzu, co jest korzystne dla alergików. Co najważniejsze, dzięki wysokiej sprawności kotła kondensacyjnego pracującego w optymalnych warunkach, możesz liczyć na znaczące oszczędności na rachunkach za ogrzewanie.
Czy to rozwiązanie sprawdzi się w każdym domu nowym i modernizowanym?
Z mojego doświadczenia wynika, że połączenie kotła kondensacyjnego z ogrzewaniem podłogowym jest rozwiązaniem uniwersalnym i sprawdzi się zarówno w nowo budowanych, dobrze zaizolowanych budynkach, jak i w tych modernizowanych. W przypadku nowych domów, gdzie standardy izolacji są wysokie, system ten jest naturalnym wyborem. Natomiast w budynkach poddawanych termomodernizacji, wymiana starego systemu grzewczego na ogrzewanie podłogowe i kocioł kondensacyjny przyniesie największe korzyści, znacząco obniżając koszty eksploatacji i podnosząc komfort życia.

Kocioł jednofunkcyjny z zasobnikiem czy dwufunkcyjny: który wybrać?
To jeden z kluczowych dylematów, przed którym stają inwestorzy. Wybór między kotłem jednofunkcyjnym z zasobnikiem a dwufunkcyjnym zależy przede wszystkim od indywidualnych potrzeb Twojego gospodarstwa domowego, metrażu domu, liczby łazienek i preferowanego komfortu korzystania z ciepłej wody użytkowej. Nie ma tu jednej uniwersalnej odpowiedzi, dlatego warto przeanalizować oba rozwiązania.
Piec dwufunkcyjny: kompaktowe rozwiązanie dla mniejszych domów kiedy warto?
Kocioł dwufunkcyjny to kompaktowe urządzenie, które ogrzewa zarówno wodę do centralnego ogrzewania, jak i ciepłą wodę użytkową w sposób przepływowy. Jest to rozwiązanie zazwyczaj tańsze w zakupie i zajmuje mniej miejsca, ponieważ nie wymaga dodatkowego zasobnika. Polecam go do mniejszych domów, o powierzchni do około 150 m², z jedną, maksymalnie dwiema łazienkami, które są zlokalizowane w miarę blisko kotła. Należy jednak pamiętać, że wydajność c.w.u. w kotle dwufunkcyjnym jest ograniczona jego mocą, co może być odczuwalne przy jednoczesnym poborze wody w kilku punktach.
Piec jednofunkcyjny z zasobnikiem: gwarancja komfortu ciepłej wody dla całej rodziny
Kocioł jednofunkcyjny, w połączeniu z osobnym zasobnikiem ciepłej wody użytkowej, to rozwiązanie zapewniające znacznie wyższy komfort c.w.u. Choć jest droższy w zakupie i zajmuje więcej miejsca, gwarantuje stały dostęp do dużej ilości gorącej wody o stabilnej temperaturze, nawet przy jednoczesnym korzystaniu z kilku punktów poboru (np. prysznic i kran w kuchni). Jest to idealne rozwiązanie dla większych domów, z więcej niż jedną łazienką, gdzie domownicy cenią sobie swobodę korzystania z wody, a także dla tych, którzy planują montaż deszczownicy. Dodatkowo, tylko ten system umożliwia podłączenie cyrkulacji c.w.u., o czym opowiem za chwilę.
Analiza porównawcza: metraż, liczba łazienek i domownicy jako główne kryteria wyboru
Aby ułatwić Ci decyzję, przygotowałem krótkie porównanie obu typów kotłów:
| Kryterium | Kocioł dwufunkcyjny | Kocioł jednofunkcyjny z zasobnikiem |
|---|---|---|
| Metraż domu | Mniejsze domy (do ok. 150 m²) | Większe domy (powyżej 150 m²) |
| Liczba łazienek | 1, maksymalnie 2 (blisko kotła) | 2 lub więcej, w tym z deszczownicą |
| Liczba domowników | 1-3 osoby | 4 i więcej osób |
| Komfort c.w.u. | Przepływowy, wydajność zależna od mocy kotła, możliwy spadek temperatury przy jednoczesnym poborze | Duża ilość wody o stabilnej temperaturze, dostępna w wielu punktach jednocześnie |
| Koszty początkowe | Niższe (brak zasobnika) | Wyższe (kocioł + zasobnik) |
| Miejsce instalacji | Kompaktowy, wymaga mniej miejsca | Większe gabaryty (kocioł + zasobnik), wymaga więcej miejsca |
Cyrkulacja c.w.u.: czy warto w nią inwestować i które rozwiązanie ją umożliwia?
Cyrkulacja ciepłej wody użytkowej to dodatkowa instalacja, która ma za zadanie zapewnić natychmiastowy dostęp do ciepłej wody po odkręceniu kranu, nawet w punktach oddalonych od kotła. Dzięki niej nie musisz czekać, aż zimna woda spłynie z rur, co eliminuje jej marnowanie i zwiększa komfort. Jest to rozwiązanie szczególnie polecane w większych domach, gdzie odległości do najdalszych punktów poboru są znaczne. Należy podkreślić, że cyrkulacja c.w.u. jest możliwa do zrealizowania wyłącznie w systemie z kotłem jednofunkcyjnym i zasobnikiem, ponieważ wymaga stałej dostępności podgrzanej wody w zbiorniku.
Dobór mocy kotła: jak nie przepłacać za ogrzewanie?
Prawidłowy dobór mocy kotła to absolutna podstawa efektywnego i ekonomicznego ogrzewania. Zbyt mała moc nie zapewni odpowiedniego komfortu, natomiast zbyt duża, czyli przewymiarowanie kotła, prowadzi do częstego taktowania, większego zużycia gazu i szybszego zużycia urządzenia. To inwestycja, która musi być precyzyjnie dopasowana do realnego zapotrzebowania Twojego domu.
Moc na potrzeby ogrzewania (c.o.): jak oszacować zapotrzebowanie twojego budynku?
Zapotrzebowanie na moc grzewczą dla centralnego ogrzewania (c.o.) zależy od wielu czynników, takich jak izolacja budynku, jego powierzchnia, wysokość pomieszczeń czy strefa klimatyczna. Orientacyjnie, dla nowych, dobrze ocieplonych domów, przyjmuje się zapotrzebowanie na poziomie 40-50 W/m². W przypadku starszych, słabiej izolowanych budynków, może to być nawet 100-120 W/m². Dla przykładu, jeśli masz nowy dom o powierzchni 150 m² i dobrym standardzie energetycznym, do celów grzewczych potrzebujesz kotła o mocy około 6-8 kW (150 m² * 50 W/m² = 7500 W = 7,5 kW). To jest punkt wyjścia do dalszych obliczeń.Moc na potrzeby ciepłej wody (c.w.u.): dlaczego jest znacznie wyższa i co to oznacza w praktyce?
Warto pamiętać, że zapotrzebowanie na moc do podgrzewania ciepłej wody użytkowej (c.w.u.) jest znacznie wyższe niż na potrzeby ogrzewania. Aby zapewnić komfortowy przepływ i szybkie podgrzanie wody, zwłaszcza w kotłach dwufunkcyjnych, moc kotła musi wynosić co najmniej 20-24 kW. Jeśli wybierzesz kocioł dwufunkcyjny o niższej mocy, możesz odczuć dyskomfort w postaci długiego oczekiwania na ciepłą wodę lub spadku jej temperatury przy jednoczesnym poborze. W przypadku kotłów jednofunkcyjnych z zasobnikiem, moc kotła jest również ważna, ale to pojemność zasobnika i jego zdolność do szybkiego podgrzewania wody mają kluczowe znaczenie dla komfortu.
Modulacja mocy, czyli cichy bohater oszczędności na co zwrócić uwagę?
Modulacja mocy to jeden z najważniejszych parametrów nowoczesnych kotłów kondensacyjnych, a często niedoceniany przez inwestorów. Oznacza ona zdolność kotła do płynnego dostosowywania swojej mocy grzewczej do aktualnego zapotrzebowania budynku. Zamiast pracować tylko na pełnej mocy lub wyłączać się i włączać (tzw. taktowanie), kocioł z szerokim zakresem modulacji może pracować np. od 3 kW do 24 kW. Dzięki temu, nawet gdy na zewnątrz jest cieplej, a zapotrzebowanie na ciepło niewielkie, kocioł pracuje stabilnie na niskiej mocy, co przekłada się na znaczne oszczędności gazu, wydłużenie żywotności urządzenia oraz cichszą pracę. Im szerszy zakres modulacji, tym lepiej.
Najczęstsze błędy: dlaczego przewymiarowany kocioł to problem, a nie "zapas mocy"?
Wielu moich klientów myśli, że "zapas mocy" to zawsze dobry pomysł. Nic bardziej mylnego! Przewymiarowany kocioł to jeden z najczęstszych błędów, który prowadzi do szeregu negatywnych konsekwencji. Taki kocioł będzie często włączał się i wyłączał (taktował), ponieważ jego minimalna moc będzie zbyt wysoka w stosunku do aktualnego zapotrzebowania budynku. To z kolei skutkuje: większym zużyciem gazu (każde uruchomienie to większy pobór), szybszym zużyciem komponentów (palnik, wentylator) i w konsekwencji krótszą żywotnością urządzenia, a także wyższymi kosztami inwestycyjnymi, bo za większą moc po prostu płacisz więcej.
Parametry techniczne kotła: na co zwrócić uwagę?
Poza wyborem typu kotła i jego mocą, istnieje kilka kluczowych parametrów technicznych, które decydują o trwałości, efektywności i komforcie użytkowania urządzenia. Warto poświęcić im uwagę, aby mieć pewność, że wybrany model będzie służył Ci bezawaryjnie przez długie lata.
Wymiennik ciepła serce kotła. Stal szlachetna czy inny materiał?
Wymiennik ciepła to serce każdego kotła, element odpowiedzialny za przekazywanie ciepła z palnika do wody w instalacji. Materiał, z którego jest wykonany, ma kluczowe znaczenie dla jego trwałości i odporności na korozję, zwłaszcza w przypadku kotłów kondensacyjnych, gdzie występuje agresywny kondensat. Zdecydowanie polecam wybór kotłów z wymiennikami wykonanymi ze stali szlachetnej (nierdzewnej). Są one najbardziej odporne na korozję, co gwarantuje długą i bezproblemową pracę urządzenia. Unikaj wymienników aluminiowo-krzemowych, które są mniej trwałe w dłuższej perspektywie.
Automatyka pogodowa i sterowanie online: inwestycja w wygodę i niższe rachunki
Nowoczesna automatyka to nie tylko wygoda, ale realne oszczędności. Sterowniki pogodowe, które dostosowują pracę kotła do temperatury zewnętrznej, pozwalają na optymalne zarządzanie energią. Kocioł "wie", kiedy grzać mocniej, a kiedy wystarczy minimalna moc, co zapobiega przegrzewaniu pomieszczeń i marnowaniu gazu. Dodatkowo, możliwość zdalnego sterowania kotłem przez internet za pomocą aplikacji mobilnej to ogromny komfort. Możesz zmieniać temperaturę, programować harmonogramy czy monitorować zużycie gazu z dowolnego miejsca na świecie. To funkcja, która szybko zwraca się w postaci niższych rachunków i większej elastyczności.

Klasa energetyczna: jak czytać etykiety i co one realnie oznaczają?
Etykiety energetyczne to cenne źródło informacji o efektywności urządzenia. Dla kotłów gazowych, podobnie jak dla innych urządzeń AGD, stosuje się klasy od A++ do G. W przypadku kotłów kondensacyjnych, zdecydowana większość nowych modeli ma klasę A dla ogrzewania i c.w.u. To oznacza, że są one bardzo efektywne. Warto zwrócić uwagę na tę etykietę, choć w praktyce, jeśli wybierasz nowoczesny kocioł kondensacyjny, możesz być spokojny o jego wysoką efektywność energetyczną.
Głośność pracy urządzenia: ważny aspekt, jeśli kocioł ma być w kuchni lub łazience
Głośność pracy kotła to parametr, który często jest pomijany, a ma duże znaczenie dla komfortu domowników, zwłaszcza jeśli urządzenie ma być zainstalowane w pomieszczeniach mieszkalnych, takich jak kuchnia, łazienka czy przedpokój. Nowoczesne kotły są zazwyczaj bardzo ciche, ale warto sprawdzić w specyfikacji technicznej poziom emitowanego hałasu, podawany w decybelach (dB). Im niższa wartość, tym lepiej. Kilka decybeli różnicy może znacząco wpłynąć na odczuwalny komfort akustyczny.
Montaż i eksploatacja kotła: co warto wiedzieć?
Zakup odpowiedniego kotła to dopiero połowa sukcesu. Równie ważny jest jego prawidłowy montaż oraz późniejsza, właściwa eksploatacja. Zaniedbania w tych obszarach mogą prowadzić do problemów z wydajnością, bezpieczeństwem, a nawet utraty gwarancji. Przyjrzyjmy się najważniejszym aspektom.
Wymagania dotyczące pomieszczenia i systemu kominowego dla kotłów kondensacyjnych
- Pomieszczenie: Kocioł kondensacyjny musi być zainstalowany w pomieszczeniu spełniającym określone wymogi dotyczące wentylacji i kubatury. Zazwyczaj jest to pomieszczenie techniczne, kotłownia, ale w przypadku kotłów dwufunkcyjnych, często montuje się je w kuchniach czy łazienkach. Niezbędna jest odpowiednia wentylacja nawiewno-wywiewna oraz dostęp do prądu i gazu.
- System kominowy: Kotły kondensacyjne wymagają specjalnego systemu kominowego, odpornego na działanie kondensatu (kwasowego) oraz szczelnego. Zazwyczaj są to systemy dwuścienne (rura w rurze), gdzie jedna rura doprowadza powietrze do spalania, a druga odprowadza spaliny. Niezbędne jest również odprowadzenie skroplin do kanalizacji.
Jak ważny jest regularny serwis i przeglądy dla wydajności i bezpieczeństwa?
Regularne przeglądy i serwis kotła to absolutna podstawa jego długiej, bezawaryjnej i efektywnej pracy. Producenci zazwyczaj wymagają corocznych przeglądów wykonywanych przez autoryzowanego serwisanta, aby utrzymać gwarancję. Podczas serwisu sprawdzana jest szczelność instalacji, czystość palnika i wymiennika, parametry spalania oraz ogólny stan techniczny urządzenia. To nie tylko kwestia gwarancji, ale przede wszystkim bezpieczeństwa użytkowania (ryzyko ulatniania się tlenku węgla) oraz utrzymania wysokiej efektywności, co bezpośrednio przekłada się na niższe rachunki za gaz.
Koszty instalacji: co wchodzi w skład pełnej wyceny?
Koszty instalacji kotła gazowego to nie tylko cena samego urządzenia. Pełna wycena powinna uwzględniać szereg elementów, aby uniknąć nieprzyjemnych niespodzianek. Zawsze proś o szczegółowy kosztorys, który powinien zawierać:
- Koszt zakupu kotła gazowego (i ewentualnie zasobnika c.w.u.).
- Koszty materiałów instalacyjnych (rury, złączki, zawory, izolacje).
- Koszty systemu kominowego (rury spalinowe, kształtki, montaż).
- Robocizna instalatora (montaż kotła, podłączenie do instalacji c.o. i c.w.u., podłączenie gazu, uruchomienie).
- Koszty automatyki sterującej (sterownik pokojowy, pogodowy, moduł internetowy).
- Ewentualne koszty dodatkowych prac (np. przeróbki instalacji gazowej, elektrycznej, odprowadzenie skroplin).
Przyszłość ogrzewania gazowego: czy warto inwestować?
Decyzja o inwestycji w ogrzewanie gazowe to decyzja na wiele lat, dlatego warto spojrzeć na nią z perspektywy przyszłych zmian rynkowych i regulacyjnych. Gaz ziemny, choć jest paliwem kopalnym, pozostaje popularnym i stosunkowo niskoemisyjnym źródłem ciepła, jednak jego przyszłość jest kształtowana przez politykę klimatyczną.
System ETS2 od 2027 roku: jak wpłynie na rachunki za gaz?
Jedną z kluczowych zmian, która może wpłynąć na długoterminowe koszty ogrzewania gazowego, jest wejście w życie systemu ETS2 (System Handlu Emisjami dla budynków i transportu) w Unii Europejskiej, planowane na 2027 rok. System ten obejmie opłatami emisje CO2 z budynków mieszkalnych, co oznacza, że ceny gazu dla gospodarstw domowych w Polsce prawdopodobnie wzrosną. Będzie to dodatkowa opłata doliczana do rachunków, mająca na celu zachęcenie do przechodzenia na bardziej ekologiczne źródła ciepła. Warto mieć to na uwadze, kalkulując opłacalność inwestycji w kocioł gazowy.
Przeczytaj również: Kocioł UKS: Bezklasowy? Wymiana do 2026 kary i dotacje
Gaz a inne źródła ciepła (pompy ciepła, pellet): krótkie porównanie perspektyw
W kontekście rosnących wymagań ekologicznych i zmian klimatycznych, gaz ziemny jest często porównywany z innymi źródłami ciepła, takimi jak pompy ciepła czy kotły na pellet. Pompy ciepła, choć droższe w inwestycji początkowej, oferują bardzo niskie koszty eksploatacji (zwłaszcza w połączeniu z fotowoltaiką) i są uznawane za najbardziej ekologiczne. Kotły na pellet to z kolei alternatywa dla tych, którzy szukają odnawialnego źródła, ale akceptują konieczność obsługi. Gaz pozostaje popularnym wyborem ze względu na wygodę użytkowania i stosunkowo niskie koszty instalacji, jednak jego przyszłość jest coraz bardziej związana z cenami uprawnień do emisji CO2. Ostateczna decyzja zależy od Twoich priorytetów czy stawiasz na najniższe koszty początkowe, czy na długoterminową opłacalność i ekologię.
